- Provides a means of quickly and accurately measuring the water status of plant leaves.
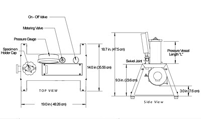
- A leaf or small branch is placed in the sample chamber with the cut end protruding from the specimen holder.
- The pressure is built up inside the chamber until the pressure exceeds the tension inside the plant material, and xylem sap begins to flow from the cut end.
- The tension can then be read directly from the pressure gauge.
- Soil Moisture Plant Water Status Console supplied with a pressurized gas tank, making it suitable for portable, field use.
- A solid polyethylene sample preparation board is mounted to the heavy-duty aluminum chassis.
- Sample chambers are available in several different lengths, ranging from 7" (18 cm) to 20" (51 cm).
- Two operating pressure ranges, 0 to 40 bars and 0 to 80 bars, are available.
- Two specimen holders are available, one for use with round-stem materials, and one for blade-type plant materials.
- A number of differently sized and shaped sealing sleeves and grommets assure that the plant material of interest is safely sealed in the specimen holder, allowing measurements to be made.
- The unique modular leg design vastly increases the versatility of the plant status console, changing from 8 feet to 32 feet is a snap.
- The monolithic design of the chassis increases strength while reducing weight. Now with locking castors, the unit can be effortlessly transported through the lab.
|


